中文版 ENGLISH
CONTACT US
Aote Tianjin Pump Co., Ltd. 
Tel:15122005630 
Tel:022-83972201
PRODUCTS Your current location:Home > Products > Domestic sales network
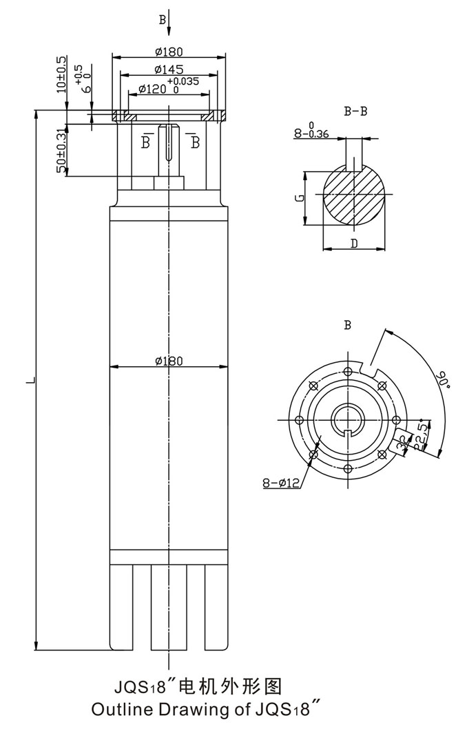
JQS 8寸 潜水电机
技术数据
2级50HZ
Description Type Structure Installation Parameter Other

概述

         JQS  系列井用潜水三相异步电动机为湿式充水密封型机构,主要用于8’’、 10’’深井中驱动潜水泵提取地下水,为城市、工矿企业、农田灌溉、牧场和居民生活提供生产和生活用水。JQS 1 系列电机设计合理,并经多年生产实践经验屡加改进,具有机构简单、噪音小、性能优良、使用可靠、维修方便、运用于水中、节约基础投资等特点。

型号说明

 


 

电动机机座号与适用井径对应表

机座号

JQS 8’’

JQS 10’’

 井径(mm)

200

250

电动机机座号与电动机承受最大向下推力对应表

机座号

JQS 8’’ 5.5-34KW

JQS 10’’ 5.5-34KW

JQS 10’’ 40-92KW

向下推力(KN)

10

15

注:高推力型轴承需特殊订货,采用高推力型轴承的电机性能由用户与制造厂协议。

适用条件
1、电动机应完全潜入水中立式(或卧式适用须订制),其潜入深度不大于70m,但不小于20m,最底位置距井底不少于5m。
2、介质水温不高于20℃。
3、水中固体杂质含量(重量比)不超过0.01%。
4、水中氯离子含量不得超过400mg/L;
5、水中硫化氢含量不得大于1.5mg/L;
6、介质水中不含腐蚀性物质,PH值在6.5-8.5范围内。
7、电机运行时内部应充满洁净的清水(可加防冻液)。

设备特点

  1. 电机防护等级:IPX8
  2. 充水式潜水电动机结构简单,定转子绕组和铁心直接浸在水中,冷却效果好、输出功率大、效率较高。
  3. 由于充水式潜水电动机内腔所充多为清水,使用过程中产生的渗漏对所安装使用井水水质不会产生污染。
  4. 充水式潜水电动机的定子绕组。铁心很轴承均在水中工作,对定子绕组所使用上网导线及其加工工艺、接头材料及包扎工艺、水润滑轴承的结构、材料及加工工艺、铁心与金属材料的防锈防腐蚀处理等有很高的要求。

电动机机构

  1. 潜水电机由定子、转子、上下导轴承、下连接法兰、底座、轴伸密封装置等组成。
  2. 潜水电机各止口连接处采用密封圈密封;轴伸密封根据水质含砂量多少,选择不同方式的密封装置。(含砂量大于0.01%时采用橡胶骨架油封;含砂量大于0.01-0.5%时采用机械密封)
  3. 电动机下部装有橡胶调节囊,其作用为当电机内部热胀冷缩时及电机外部水位高低变化时,用以平衡电机内腔与水的压力。
  4. 电动机定子绕组采用耐水绝缘线,有良好的绝缘能力,绕组线与耐水JHS型电缆连接。
  5. 潜水电机上、下导轴承座内装有轴瓦,转子下部装有止推轴承。止推轴承由上、下止推轴承及滑板组成,用于承担轴向力。

 技术支持
1、保证电机的引出电缆处端电压为380(1±5%)V,频率为50(1±1%)HZ(其它电压或频率须特殊订货)。
2、电机的最大运行电流不得大于铭牌上的标定值(即额定电流,配套厂家和用户在选用和调试潜水电泵机组的电源控制设备时,应特别注意);
3、电机应选用合适的控制方式(可实现电机的过载、欠压、断相运行的保护并可根据水位自动控制电泵的起停);
4、电机为连续工作制(S1)。两次起动时间间隔不得小于10分钟;
5、电机应可竖直使用,也可卧式使用(须特殊订制);
6、电动机应使用在与型号中机座号相对应的井径中,如果使用在超过规定的井径中或水池中,电动机外部应加散热器,并保证流经电机表面水的速度不低于0.5m/s。

供货范围
潜水电机主机(包括3米引缆),电缆的接头绝缘粘带(包括优质聚氯乙烯粘带、自熔乙丙胶带、丁基橡胶自粘带)使用维护说明书1份,合格证1份装箱单1份,木箱包装

注:当环境水或电网电压、频率不符合上述规定时,用户可以提出要求,本公司提供订制适用产品。

HOME| MESSAGES| LINKS| MAP

Copyright © 2004-2026 Aote Tianjin Pump Co., Ltd. 版权所有  地址:天津市津南区双桥河工业园欣旺路2号  津ICP备08001621号-1   
永磁潜水电机,潜水电机,潜油电机,高压潜水电机,海水潜水电机,热水潜水电机,耐高温潜水电机,不锈钢潜水电机,卧式潜水电机,潜水泵电机,1~13.5KV潜水电机