概述 PMSM系列大容量潜水三相永磁同步电动机是应国际市场需要,在小井径中发展大容量电机而专门开发的一种新型潜水电机,他特别适用于高扬程潜水泵配套提取地下水,为城市工矿企业、农业灌溉及居民生活提供生产和生活用水。本产品除具备一般井用潜水电机特点外,还具有单机容量大,力能指标高,承受轴向力大,密封性能好等特点。为了适应用花需要,电机机壳可采用不锈钢材料,但需在合同中注明。
型号说明
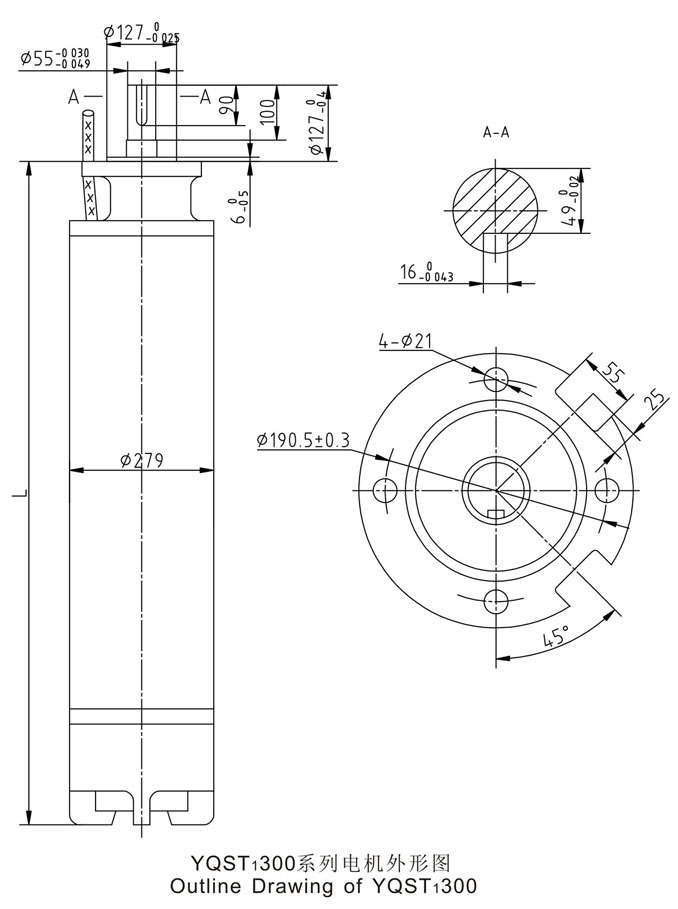
 电动机机座号与适用井径对应表 机座号 | 150 | 200 | 250 | 300 | 井径(mm) | 150 | 200 | 250 | 300 |
电动机机座号与电动机承受最大向下推力对应表
机座号 | 150 | 200 | 250 | 300 | 向下推力(KN) | 25 | 45 |
注:用户订货时,如有特殊要求,请于制造商协商。适用条件 1、电动机应完全潜入水中立式(或卧式适用),其潜入深度不大于70m,但不小于20m,最底位置距井底不少于5m(卧式使用时水位应高于潜水电机1m以上)。 2、介质水温不高于25℃。 3、水中固体杂质含量(重量比)不超过0.01%。 4、介质水中不含腐蚀性物质,PH值在6.5-8.5范围内。 5、电机运行时内部应充满洁净的清水(可加防冻液)。 设备特点 电机防护等级:IPX8 充水式潜水电动机结构简单,定转子绕组和铁心直接浸在水中,冷却效果好、输出功率大、效率较高 由于充水式潜水电动机内腔所充多为清水,使用过程中产生的渗漏对所安装使用井水水质不会产生污染。 电动机运行性能稳定噪音极小 用户需要时可以卧式使用(但寿命是立式的60%)
技术支持 1、保证电机的引出电缆处端电压为380(1±5%)V,频率为50(1±1%)HZ(其它电压或频率须特殊订货)。 2、电机的最大运行电流不得大于铭牌上的标定值(即额定电流,配套厂家和用户在选用和调试潜水电泵机组的电源控制设备时,应特别注意); 3、电机应选用合适的控制方式(可实现电机的过载、欠压、断相运行的保护并可根据水位自动控制电泵的起停); 4、电机为连续工作制(S1)。两次起动时间间隔不得小于10分钟; 5、电机应可竖直使用,也可卧式使用(须特殊订制); 6、用于水池或超过规定的井径中时应加装散热器,使电机表面的水流速度达到0.5-1m/s,以保证电机良好的散热。散热器应将电动机和第一,二级泵包括在内。 供货范围 潜水电机主机(包括3米引缆),电缆的接头绝缘粘带(包括优质聚氯乙烯粘带、自熔乙丙胶带、丁基橡胶自粘带)使用维护说明书1份,合格证1份装箱单1份,木箱包装 注:当环境水或电网电压、频率不符合上述规定时,用户可以提出要求,本公司提供订制适用产品。
|