国内潜水电机,潜油电机,潜水泵电机,高压潜水电机制造厂家
中文版 ENGLISH
联系我们

销售热线:13820211734 
24h电话:400-666-8061

产品中心 您当前所在位置:网站首页 > 产品中心 > PMSM 6寸 永磁潜水电机
产品名称:PMSM 6寸 永磁潜水电机
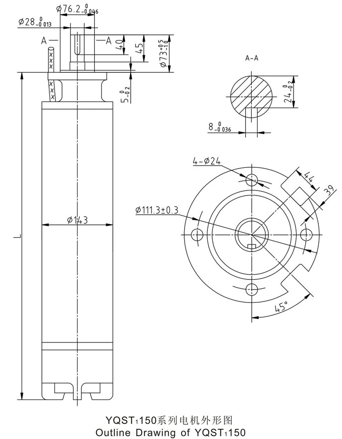
详细信息 技术参数 结构图 安装尺寸 技术应用 其他介绍
概述
 YQST系列大容量潜水三相异步电动机是应国际市场需要,在小井径中发展大容量电机而专门开发的一种新型潜水电机,他特别适用于高扬程潜水泵配套提取地下水,为城市工矿企业、农业灌溉及居民生活提供生产和生活用水。本产品除具备一般井用潜水电机特点外,还具有单机容量大,力能指标高,承受轴向力大,密封性能好等特点。为了适应用花需要,电机机壳可采用不锈钢材料,但需在合同中注明。
型号说明

电动机机座号与适用井径对应表

机座号

150

200

250

300

 井径(mm)

150

200

250

300


电动机机座号与电动机承受最大向下推力对应表

机座号

150

200

250

300

向下推力(KN)

25

45


注:用户订货时,如有特殊要求,请于制造商协商。

适用条件
   1、电动机应完全潜入水中立式(或卧式适用),其潜入深度不大于70m,但不小于20m,最底位置距井底不少于5m(卧式使用时水位应高于潜水电机1m以上)。
   2、介质水温不高于25℃。
   3、水中固体杂质含量(重量比)不超过0.01%。
   4、介质水中不含腐蚀性物质,PH值在6.5-8.5范围内。
   5、电机运行时内部应充满洁净的清水(可加防冻液)。

设备特点
 电机防护等级:IPX8
 充水式潜水电动机结构简单,定转子绕组和铁心直接浸在水中,冷却效果好、输出功率大、效率较高
 由于充水式潜水电动机内腔所充多为清水,使用过程中产生的渗漏对所安装使用井水水质不会产生污染。
 电动机运行性能稳定噪音极小
 用户需要时可以卧式使用(但寿命是立式的60%)

 技术支持
   1、保证电机的引出电缆处端电压为380(1±5%)V,频率为50(1±1%)HZ(其它电压或频率须特殊订货)。
   2、电机的最大运行电流不得大于铭牌上的标定值(即额定电流,配套厂家和用户在选用和调试潜水电泵机组的电源控制设备时,应特别注意);
   3、电机应选用合适的控制方式(可实现电机的过载、欠压、断相运行的保护并可根据水位自动控制电泵的起停);
   4、电机为连续工作制(S1)。两次起动时间间隔不得小于10分钟;
   5、电机应可竖直使用,也可卧式使用(须特殊订制);
   6、用于水池或超过规定的井径中时应加装散热器,使电机表面的水流速度达到0.5-1m/s,以保证电机良好的散热。散热器应将电动机和第一,二级泵包括在内。

供货范围
潜水电机主机(包括3米引缆),电缆的接头绝缘粘带(包括优质聚氯乙烯粘带、自熔乙丙胶带、丁基橡胶自粘带)使用维护说明书1份,合格证1份装箱单1份,木箱包装

注:当环境水或电网电压、频率不符合上述规定时,用户可以提出要求,本公司提供订制适用产品。

首页| 意见反馈| 法律声明 | 友情链接| 网站地图

Copyright © 2004-2026 Aote Tianjin Pump Co., Ltd. 版权所有  地址:天津市津南区双桥河工业园欣旺路2号  津ICP备08001621号-1   
永磁潜水电机,潜水电机,潜油电机,高压潜水电机,海水潜水电机,热水潜水电机,耐高温潜水电机,不锈钢潜水电机,卧式潜水电机,潜水泵电机,1~13.5KV潜水电机